1.? QuikSep AC全自動層析柱總體設計
QuikSep AC全自動層析柱可以提供軸向精確升降定位,也可控制力矩大小在保證裝柱壓力的情況下來實現不同用戶裝柱要求;還可以通過工作站上的兩臺氣動隔膜泵和獨有的結構來實現填料自動充填、填料自動回收、清洗柱管、移動分離柱管、拆卸不銹鋼篩網。由于工作站的裝柱、卸柱向導簡單易懂,可以顯著提高工作效率,縮短操作時間,而且采用固定程序,可以保證最佳的柱效表現以及裝柱效果的可重復性。
QuikSep AC全自動層析柱可任選泵膠方式或吸膠方式進行裝柱。采用泵膠的方式,可以實現裝填高度的最大化,顯著提高設備利用率;若采用柱頭密封吸膠的方式,也可保證同等的柱效結果,操作便利,性能穩定。
QuikSep AC全自動層析柱主要由六大部件組成,其部件組成示意圖如下圖所示:
拆卸柱管,清洗柱管和篩網時,過程如下圖所示:

總之,這種設計使得標準化生產更加快速、系列規格組合更加簡易,同時也使得用戶操作更加方便、快捷、安全。
2. 分配器設計
分配器按照現代機械設計先進理念進行的,流體動態仿真、優化設計、可靠性設計、虛擬設計、三維造型、產品全壽命周期設計,使得產品性能得到有一種單一的中央噴口和一種徑向導流槽。防直噴的噴口與導流槽做在了一起,定位在每個單元的中心,防止噴出的液體直接進入柱管而不通過分配器。獨特的分配器設計,保證所有流徑長度相同,從而更有效地保證分配效果。

? ? ? ?????
3. 篩板設計
上下篩網為多層結構的不銹鋼燒結網。 與聚乙烯篩網不同:聚乙烯篩網為疏水性質,需要在裝柱前充分潤濕,而不銹鋼篩網則不需要提前潤濕。不銹鋼燒結網由保護層、過程控制層、分散層及2~3層補強層燒結而成。

4. 密封設計
層析柱密封結構主要考慮密封的可靠性、有效面積最大化和死體積的最小化三個方面。柱頭的密封形式如下圖所示,柱管與移動的柱頭之間采用雙層O型密封圈進行密封,起到雙重密封的作用。

篩網采用U型密封圈進行密封,U型密封圈的內表面可包裹篩網的上下表面及側面,有效防止漏膠,并且U型密封圈的體積很小,可有效防止篩網變形。
? ? ??
5. 可靠的結構設計
由于目前大量高硬度、小粒徑的填料出現,使得原有層析柱的耐壓明顯不足,因此QuikSep AC系列全自動層析柱為了滿足需求,一律使用5bar為標準操作壓力,因此對結構強度提出了更高的要求。
通過大量的仿真計算,我們得出了可靠的橫梁結構設計,保證設備耐壓5bar時,柱頭變形不超過2mm。

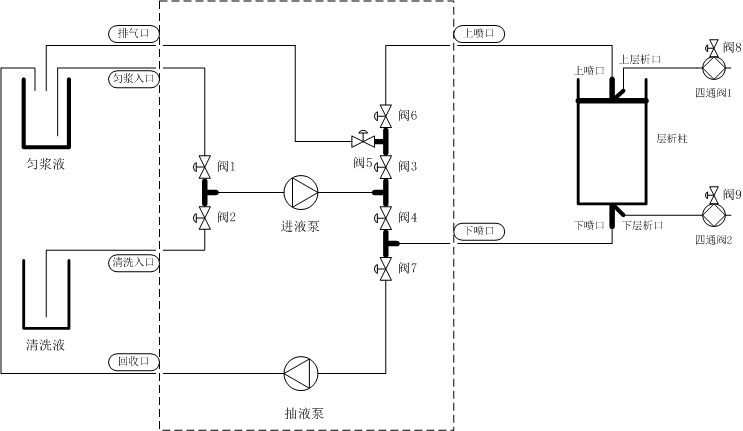
6. 裝柱機
裝柱機作為獨立的操作系統,由PC機、PLC、電磁閥、氣動隔膜泵,氣動隔膜閥,氣源三聯體,流量調節閥等組成。 
全自動層析裝柱軟件分為手動模式以及自動模式。其中手動模式可以手動控制柱頭的上升或下降的距離和速度,并且實時監測柱頭當前的位置。自動模式主要分為填料裝柱、卸柱清洗、拆卸柱管、裝配柱管四大模塊,根據向導,可以方便快捷地進行層析柱的拆裝及清洗。